| 状态: | |
|---|---|
| Num: | |
The SGB5L-63 A/B/AC type RCBO, supplied by Zhejiang Singi Electrical LLC,
is a 230/240 V AC device with a rated insulation voltage of 500 V and a rated impulse
withstand voltage of 4000 V. It features a shell frame current rating of up to 63 A and is available in
various rated currents ranging from 6 A to 63 A. The SGB5L-63 is designed to provide short-circuit,
overload, and residual current protection, with a rated residual operating current of 10 mA to 300 mA.
It has a rated residual making and breaking capacity of 3000 A and an ultimate breaking capacity of 10000 A.
The SGB5L-63 RCBO is available in A, B, and AC types. The B type is suitable for special applications that require
detection of pure direct current , such as photovoltaic systems and electric vehicle charging stations.
The A type is designed for environments where alternating current and pulsating DC fault currents need to be detected,
making it ideal for modern residential and commercial settings. The SGB5L-63 AC type RCBO is suitable for applications
that involve traditional AC fault currents.
Technical Parameters
| Standard | GB/T 16917.1、GB/T 22794 / IEC/EN 61009-1、IEC/EN62423 |
| Poles | 1P+N (two modules, 36mm wide) |
| Rated working voltage | 230/240V |
| Maximum frame current | 63A |
| Rated current | 6A,10A,16A,20A,25A, 32A,40A,50A,63A |
| Rated insulation voltage | 500V |
| Rated residual operating current | 10mA,30mA,50mA,100mA,300mA |
| Rated residual non-operating current | 0.5mA |
| Rated frequency | 50/60Hz |
| Type of residual current protection | A type,AC type,B type |
| Rated residual making and breaking capacity | 3000A |
| Trip type | Thermal-magnetic |
| Instantaneous trip type | B type,C type,D type |
| Ultimate breaking capacity | 10000A |
| Operating Breaking Capacity | 7500A |
| Electrical Life - Actual Average Value | ≥3000 times |
| Electrical Life - Standard Specified Value | 2000 times |
| Mechanical Life - Actual Average Value | ≥4000 times |
| Mechanical Life - Standard Specified Value | In≤25A 2000times;In>25A 1000times |
| Overvoltage Level | Ⅲ |
| Pollution Degree | 3 |
| Protection Rating | IP40;Terminal:IP20 |
| Wiring Capacity | 1.0~16mm² |
| Wiring Torque | 3N·m |
| Operating Temperature | -25℃~70℃ |
| Storage Temperature | -35℃~80℃ |
| Mounting Method | DIN35 |
| Altitude | ≤2000m |
| Dimensions | 85mm*36mm*79mm |
| Weight | 0.19kg/unit |
| Packaging | 6 units/box, 10 boxes/carton |
| Storage | The product should be stored in a well-ventilated warehouse, with a relative humidity not exceeding 80%, and an ambient temperature ranging from -3°C to +80°C. Additionally, the presence of acidic, alkaline, and corrosive gases should be avoided. |
Derating Factor
| Temperature Derating Factor Table | ||||||||||
| Temperature | -30℃ | -25℃ | -20℃ | -15℃ | -10℃ | -5℃ | 0℃ | 5℃ | 10℃ | 15℃ |
| Rated Working Current Factor | 1.242 | 1.223 | 1.204 | 1.182 | 1.161 | 1.143 | 1.127 | 1.103 | 1.079 | 1.063 |
| Temperature | 20℃ | 30℃ | 35℃ | 40℃ | 45℃ | 50℃ | 55℃ | 60℃ | 65℃ | 70℃ |
| Rated Working Current Factor | 1.047 | 1 | 0.984 | 0.968 | 0.952 | 0.922 | 0.904 | 0.891 | 0.872 | 0.844 |
| Altitude Derating Factor Table | ||||
| Altitude (m) | 2000 | 3000 | 4000 | 5000 |
| Rated working current factor | 1 | 0.96 | 0.91 | 0.86 |
| Rated working voltage factor | 1 | 1 | 1 | 1 |
| Rated power frequency withstand voltage factor | 1 | 0.9 | 0.82 | 0.71 |
| Rated impulse withstand voltage factor | 1 | 0.9 | 0.82 | 0.71 |
| Rated ultimate breaking capacity and electrical life factor | 1 | 0.82 | 0.7 | 0.6 |
| Micro circuit breaker derating factor table for side-by-side installation | |||||
| Number of micro circuit breakers | 1 | 2-3 | 4-5 | 6-8 | 9-10 |
| Factor for In ≤ 25A | 1 | 0.96 | 0.9 | 0.8 | 0.7 |
| Factor for 32A≤ln≤63A | 1 | 0.92 | 0.8 | 0.7 | 0.6 |
Installation Dimensions
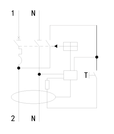
Wiring Diagram

Singi Electrica is China manufacturer & supplier who mainly produces miniature circuit breaker, MCCB, SPD,distribution box , junction box with 24 years of experience. Hope to build business relationship with you.
| Tel:0577 62053322 |
| Phone:+86 18868286161 |
| Email:salesmanager@singi.com |